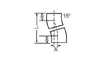
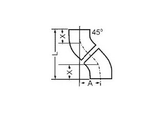
Чугунные уступы SML

В ряде случаев при монтаже систем канализации, отопления и водоснабжения требуется сместить вертикальный или горизонтальный трубопровод на несколько сантиметров в стороны. Для этой цели используется фасонный элемент, называемый уступом. Данное изделие выпускается в соответствии с действующими международными стандартами. Возможные углы поворота и длина уступа не провоцируют образование засоров и не снижают пропускную способность сети.

Чугунные уступы SML считаются одними из наиболее качественных и технологичных изделий на рынке. Они монтируются без фланцев и раструбов через хомуты с изоляционными манжетами. Такой подход позволяет снизить общую массу трубопровода, облегчить его установку и транспортировку. Цена на чугунные уступы SML остаётся весьма демократичной несмотря на нестабильность ситуации на мировом рынке.

«Инжфаворит» – с нами удобно

Наша компания является надёжным поставщиком оборудования и инженерных систем различного назначения. Клиенты – застройщики и подрядные организации в сфере жилого, гражданского и промышленного строительства, для которых важны качество приобретаемых материалов и развитая система сервиса.

Плюсы покупки труб и фитингов в «Инжфаворит»:

  • Привлекательная стоимость. Трубы, фасонные элементы реализуются по справедливым оптовым ценам.
  • Доставка. Осуществляется перевозка груза и экспедиционное сопровождение груза по всей территории РФ.
  • Сотрудники оказывают информационную поддержку и консультируют клиентов при необходимости.
  • Широкий ассортимент продукции позволяет реализовывать проекты любой сложности.

Купить чугунные уступы SML для устройства канализации можно связавшись с нами по телефону, или отправив заявку онлайн.



Станьте нашим партнером

Качество

Качество поставляемой нами продукции обеспечено лучшими мировыми производителями

Партнерство

Заключайте договор с нами и вы сможете быть уверены в максимальной скорости и качестве поставок

Выгода

По соотношнию стоимости и качества поставок наше предложение одно из лучших на рынке

Представленные нами бренды

Контакты

+7 (926) 006-7530

+7 (499) 343-2081

г. Москва, улица Салтыковская 37к 1

пн-пт 9:00 - 18:00

сб, вс выходной